Магазин запчастей для бытовой техники - Arlos
Москва
close
Выберите ваш регион
АбаканАлександровАльметьевскАнгарскАрзамасАрмавирАртемАрхангельскАстраханьАчинскБалаковоБалашихаБеларусьБелгородБердскБерезникиБийскБлаговещенскБратскБрянскВеликий НовгородВидноеВладивостокВладикавказВладимирВолгоградВолгодонскВолжскийВологдаВолховВоркутаВоронежВоскресенскВыборгГатчинаГеленджикГрозныйДедовскДербентДзержинскДзержинскийДимитровградДмитровДолгопрудныйДомодедовоДонецкЕвпаторияЕгорьевскЕкатеринбургЕлецЕссентукиЖелезногорскЖелезнодорожныйЖуковскийЗеленоградЗлатоустИвановоИвантеевкаИжевскИркутскИстраЙошкар-ОлаКазаньКалининградКалугаКаменск-УральскийКамышинКаспийскКемеровоКерчьКировКисловодскКлинКовровКоломнаКомсомольск-на-АмуреКопейскКоролёвКостромаКотельникиКрасногорскКраснодарКраснознаменскКрасноярскКурганКурскКызылЛенинск-КузнецкийЛипецкЛобняЛыткариноЛюберцыМагнитогорскМайкопМалаховкаМахачкалаМиассМоскваМурманскМуромМытищиНабережные ЧелныНазраньНальчикНаро-ФоминскНахабиноНаходкаНевинномысскНефтекамскНефтеюганскНижневартовскНижнекамскНижний НовгородНижний ТагилНовокузнецкНовокуйбышевскНовомосковскНовороссийскНовосибирскНовоуральскНовочебоксарскНовочеркасскНовошахтинскНовый УренгойНогинскНорильскНоябрьскОбнинскОдинцовоОктябрьскийОмскОрелОренбургОрехово-ЗуевоОрскПавловский ПосадПензаПервоуральскПермьПетрозаводскПетропавловск-КамчатскийПодольскПрокопьевскПсковПушкиноПятигорскРаменскоеРеутовРостов-на-ДонуРубцовскРыбинскРязаньСакиСалаватСамараСанкт-ПетербургСаранскСаратовСевастопольСеверодвинскСеверскСергиев ПосадСерпуховСимферопольСмоленскСосновый БорСочиСтавропольСтарый ОсколСтерлитамакСтупиноСургутСызраньСыктывкарТаганрогТамбовТверьТихвинТольяттиТомилиноТомскТроицкТулаТюменьУлан-УдэУльяновскУссурийскУсть-ИлимскУфаУхтаФеодосияФрязиноХабаровскХанты-МансийскХасавюртХимкиЧебоксарыЧелябинскЧереповецЧеркесскЧеховЧитаШахтыЩелковоЭлектростальЭлистаЭнгельсЮжно-СахалинскЯкутскЯлтаЯрославль
  • - бесплатно по РФ
    Автоперезвон. Работает по принципу: Вы позвонили на номер, мы сбрасываем звонок и перезваниваем через 3 секунды.
  • - по Москве
  • 8 (925) 663-83-63

Call-центр

пн-вс: 10:00-19:00

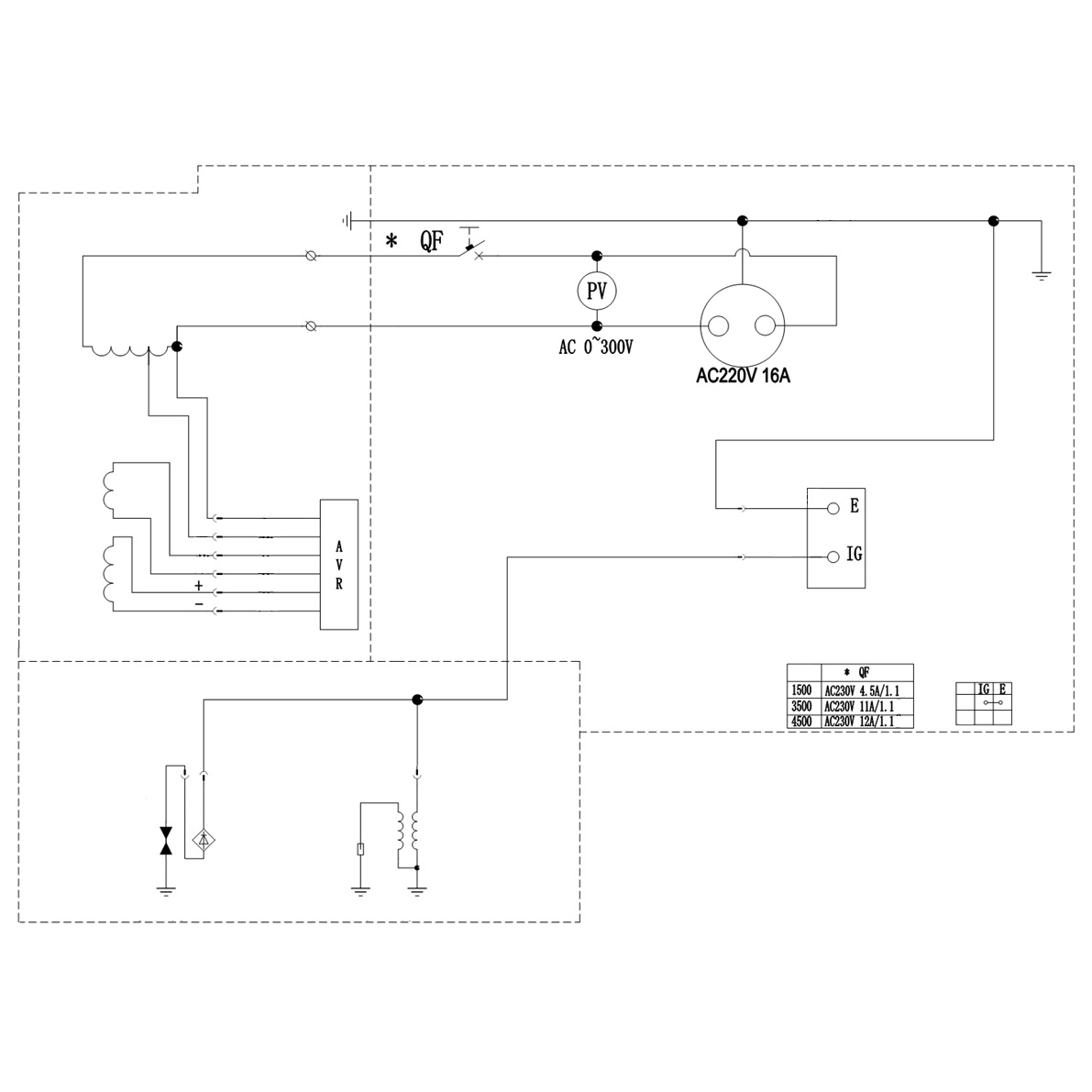
Генератор бензиновый СБ-1200

Данная модель имеет несколько схем

NАртикулНазваниеСрок отгрузкиЦенаКупить
1.02 N000-034-711 Кран топливный
1.04 N000-033-336 Крышка топливного бака
1.05 N000-033-335 Фильтр топливный бензобака 83 р.
1.07 N000-033-345 Датчик уровня топлива 383 р.
1.10 N000-033-328 Втулка
1.11 N000-034-713 Прокладка бака резиновая
1.13 N000-033-351 Крышка защитная
1.14 N000-033-363 Клеммная колодка
1.15 N000-033-365 Щетка графитовая 16х6х5 106 р.
1.18 V000-004-486 Блок электронной регулировки напряжения (AVR) 2-2.8 кВт 881 р.
1.19 N000-033-349 Кронштейн 1.484 р.
1.22 N000-034-714 Статор D160×60
1.23 N000-034-715 Ротор D95×60
1.24 N000-034-718 Прокладка глушителя 87 р.
1.26 N000-034-719 Глушитель
1.32 N000-033-342 Ножка резиновая
1.33.1 N000-032-872 Выключатель зажигания 172 р.
2.01 N000-034-724 Пружина привода дроссельной заслонки
2.02 N000-034-725 Привод дроссельной заслонки
2.04 N000-033-317 Шплинт
2.05 N000-034-726 Рычаг дроссельной заслонки
2.06 N000-034-727 Тяга регулирующая
2.07 N000-034-728 Пружина 69x0,9x7
2.08 N000-034-729 Кронштейн
2.12 N000-034-731 Крышка маховика
2.13 N000-034-732 Пластина защитная
2.15 N000-034-733 Шкив стальной
2.16 N000-034-734 Крыльчатка
2.17 N000-034-735 Маховик
2.19 N000-034-736 Магнето 725 р.
2.20 N000-034-737 Сальник D32хd20х6 91 р.
2.21 N000-034-738 Пластина защитная
2.23 N000-033-185 Прокладка сливного отверстия 10х15.8х1.5 44 р.
2.24 N000-034-671 Картер двигателя
2.25 N000-033-320 Штифт
2.26 V000-007-746 Реле датчика масла 157 р.
2.27 N000-033-329 Фиксатор
2.28 N000-034-672 Подшипник 6004 P6
2.29 N000-034-673 Датчик уровня масла поплавковый 351 р.
2.31 N000-034-674 Регулятор скорости 221 р.
2.32 N000-034-675 Шатун
2.33 N000-034-676 Вал коленчатый
2.34 N000-034-677 Поршень D60
2.35 N000-034-678 Палец поршневой D13x46,5
2.36 N000-034-679 Кольцо стопорное
2.37 N000-034-680 Кольца поршневые комплект 432 р.
2.38 N000-034-681 Подшипник 6004 P6
2.39 N000-034-682 Прокладка картера 143 р.
2.40 N000-034-683 Щуп масляный
2.41 N000-034-684 Крышка картера
2.43 N000-034-685 Кронштейн
2.44 N000-034-686 Распредвал в сборе
2.45 N000-034-687 Клапан подъемный
2.46 N000-034-688 Клапан (выпускной) d22
2.47 N000-034-689 Клапан (впускной) d24
2.48 N000-034-690 Прокладка головки цилиндров 123 р.
2.50 N000-034-691 Фильтр воздушный в сборе 452 р.
2.51 N000-034-692 Прокладка воздушного фильтра 41 р.
2.52 N000-033-331 Хомут топливного патрубка d8
2.53 N000-033-330 Шланг топливный L200 D8/d4
2.54 N000-034-693 Карбюратор 160F 1.072 р.
2.55 N000-034-694 Прокладка карбюратора 81 р.
2.56 N000-034-695 Блок теплоизоляционный
2.57 N000-034-696 Прокладка теплоизолятора 36 р.
2.58 N000-034-697 Шпилька M8×32
2.59 N000-034-698 Головка блока цилиндра
2.60 N000-033-314 Шпилька M8 × 32
2.61 N000-034-699 Штанга толкателя
2.62 N000-006-151 Свеча зажигания A7RTC 628 р.
2.63 N000-034-700 Щит маслоудерживающий 131 р.
2.64 N000-034-701 Пластина ограничительная
2.65 N000-033-199 Пружина клапана
2.66 N000-033-208 Седло пружинное
2.67 N000-034-702 Седло пружинное
2.68 N000-034-703 Коромысло клапана
2.69 N000-034-704 Гайка клапана регулировочная
2.70 N000-034-705 Контргайки клапана
2.71 N000-034-706 Прокладка головки цилиндров 108 р.
2.72 N000-034-707 Крышка головки цилиндров
2.73 N000-034-708 Трубка 90 мм
2.74 N000-034-709 Кронштейн
Найдено товаров: 81
1
▲ Наверх
0
8 (925) 663-83-63

Call-центр

пн-вс: 10:00-19:00

НАЙТИ ПО МОДЕЛИ
Введите номер заказа
Введите номер своего заказа, что бы узнать его текущий статус.
Что бы получить доступ к расширенным функциям, пройдите не сложную регистрацию. Зарегистрироваться